コンテンツに進む
検索 icon カテゴリからさがす
食品加工
飲料製造
畜産
養殖
商品情報にスキップ
1 3
1 3

小型ポリエチレンZ型タンク

メーカー名:エレポン化工機

販売価格
63,250円~
税込69,575円~

●ポリエチレン製成形タンクで耐薬品性に優れ、衝撃にも強く、悪環境のもとでもその機能は損なわれることがありません。●適応している定量ポンプを取付台にセットしてお使いいただけます。

【仕様説明】

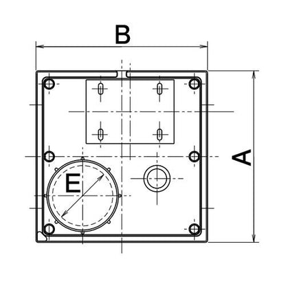
●容量(リットル):50●仕様(寸法mm):A・470、B・470、C・695、D・773、E・φ137●適応製品 定量ポンプ:直動ダイヤフラム式・CR-1N~3-2N,CRM-02~24、電磁駆動式・SPY-W30~100

【警告説明】

●比重限界は1.2 最大液温は40℃です。●標準は屋内仕様です、雨水仕様もあります。●タンク据付基礎は、水平で平滑な面で全面支持にしてください。●ポンプの吸込側は、ホース仕様です。

●ポリエチレン製成形タンクで耐薬品性に優れ、衝撃にも強く、悪環境のもとでもその機能は損なわれることがありません。●適応している定量ポンプを取付台にセットしてお使いいただけます。

【仕様説明】

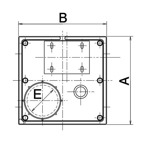
●容量(リットル):50●仕様(寸法mm):A・470、B・470、C・695、D・773、E・φ137●適応製品 定量ポンプ:直動ダイヤフラム式・CR-1N~3-2N,CRM-02~24、電磁駆動式・SPY-W30~100

【警告説明】

●比重限界は1.2 最大液温は40℃です。●標準は屋内仕様です、雨水仕様もあります。●タンク据付基礎は、水平で平滑な面で全面支持にしてください。●ポンプの吸込側は、ホース仕様です。

詳細を表示する
商品コード
型式
出荷目安
定価(税抜)
販売価格
数量
100L
10営業日出荷
オープン価格
63,250円
税込 69,575円
ご利用ガイド